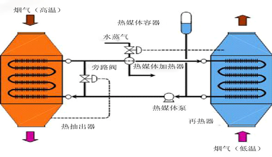
產品概念
核心元件:

換熱原理:

元件位於系統中位置:
.png)
|
|
MGGH |
GAH |
|
Typical temperature
|
|
|
|
Element height
|
Single layer (500 ~ 1000mm) |
2~3 Layers (1000 ~ 2500mm) |
|
Corrosion potential
|
All area by H2SO4 |
Limited to Cold end by H2SO4 |
|
Fouling potential |
All area by H2SO4 (SO3 & Dust of untreated gas) Cold end by Mist from FGD
|
Cold end by H2SO4 Interm. area by NH4FSO4 |
|
Leakage direction |
A Fan : Untreated gas E Fan : Treated gas to Untreated gas |
Air to gas |

